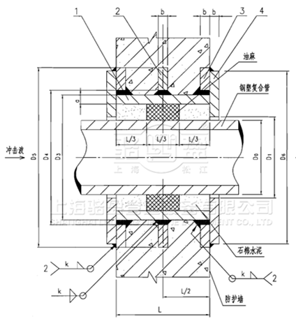
剛性密閉套管又叫穿墻套管,穿墻管。柔性防水套管一般適用于管道穿過墻壁之處受有振動或有嚴密防水要求的構筑物,套管部分加工完成后,在其外壁均刷底漆一遍(底漆包括樟丹或冷底子油)。剛性密閉套管分為剛性防水套管和柔性防水套管。兩者主要是使用的地方不一樣,柔性防水套管主要用在人防墻,水池等要求很高的地方,剛性防水套管一般用在地下室等管道需穿管道的位置。
剛性密閉套管是適用于管道穿過墻壁之處受有振動或有嚴密防水要求的構筑物的五金管件,一般生產企業是根據建筑科學研究院研制設計的S312、02S404標準圖集制造的。柔性防水套管穿墻處之墻壁,如遇非混凝土時應改用混凝土墻壁,必須將套管一次凝固于墻內;柔性防水套管施廣泛用于建筑、化工、鋼鐵、自來水、污水處理等單位。
產品名稱:剛性密閉套管
別 名:剛性密閉套管,密閉套管
口徑規格:【DN50mm-DN3200mm】
產品顏色:天藍色、紅色(實物顏色見產品展示圖片)
適用范圍:【鋼管、PP管等】
認 證:9001-2001
產品等級:A級,
工作溫度:-20度至80度(還可加工整體304、316、316L不銹鋼)
在線咨詢
購買熱線: 021-622-00727
剛性密閉套管是鋼管外加翼環(鋼板做的環形套在鋼管上),裝于墻內(多為混凝土墻),用于一般管道穿墻,利于墻體的防水,而柔性防水套管除了外部翼環,內部還有檔圈之類的,法蘭內絲,有成套賣的,也可自己加工,用于有減震需要的管路,如和水泵連接的管道穿墻時。不管是柔性防水套管還是剛性防水套管都是用于管道穿過受有振動或有嚴密防水要求的建筑物墻壁的五金配件,常用于建筑、化工、鋼鐵、自來水、污水處理等單位。
上海駱盈生產的剛性密閉套管適用于管道穿過墻壁之處受有振動的五金管件,一般生產企業是根據建筑科學研究院研制設計的S312、02S404標準圖集制造的。以質量贏得客戶,以誠信占領市場。老品牌,價格低,質量好,值得信賴!
虹橋商務區不是一個行政區域而是一個功能區域。規劃范圍東至外環線A20;西至現狀鐵路外環線,即華翔路;南至A9滬青平高速公路;北至規劃北翟高架路。總用地面積約26.3平方公里。
根據城市總體規劃,虹橋樞紐周邊約60平方公里的區域規劃為虹橋商務功能拓展區,即北面到A11,西面到A5。兩個區域面積相加約86平方公里,涉及閔行、長寧、青浦、嘉定四個區。韓正指出,加快郊區新城建設,要切實做到五個堅持:堅持規劃引領、堅持基礎設施和重大社會事業設施建設先行、堅持突出功能開發、堅持城鄉居民共享城市化發展成果、堅持突出重點集中開發。郊區新城規劃一定要堅持低碳、宜居、人性化的理念,在人車流科學設計、功能多元化發展、留足戶外公共活動空間、保護和傳承歷史文脈、積極應用~新材料等方面更加科學、超前和細致地考慮。南橋、嘉定、青浦三個郊區新城已經有比較好的基礎和條件,要在完成總體規劃修編和優化的基礎上加快推進。虹橋商務區是推進上海“四個中心”建設、加快與長三角區域一體化發展的重大戰略部署。市委九屆八次全會明確將加快虹橋商務區規劃建設作為本市六項重點工作之一。大虹橋將建成上海~低碳商務社區虹橋商務區是上海十二五”期間重點發展區域,其開發建設時市委市立足全局、著眼長遠的重大戰略決策。目的是依托虹橋綜合交通樞紐、~大型會展項目等重大功能項目,帶動上海經濟發展方式轉型、促進城市空間布局調整、推動上海貿易中心建設,更好地服務于~長三角一體化發展戰略。2012年,上海駱盈與上海東海建設有限公司簽署供貨合同,有我公司為其提供其所承包的08號地塊虹橋綠谷廣場建筑中所使用的密閉套管,橡膠接頭,伸縮接頭,閥門等。

請點擊圖片看大圖
| 編號 | 名稱 | 數量 | 材料 |
| 1 | 鋼制套管 | 1 | Q235-A |
| 2 | 翼環 | 3 | Q235-A |
請點擊圖片看大圖
|
DN |
D1 |
D2 |
D3 |
D4 |
δ |
b |
k |
|
50 |
60 |
62 |
114 |
225 |
3.5 |
10 |
4 |
|
65 |
75.5 |
77.5 |
121 |
230 |
3.75 |
10 |
4 |
|
80 |
89 |
91 |
140 |
250 |
4 |
10 |
4 |
|
100 |
108 |
110 |
159 |
270 |
4.5 |
10 |
5 |
|
125 |
133 |
135 |
180 |
290 |
6 |
10 |
6 |
|
150 |
159 |
161 |
219 |
330 |
6 |
10 |
6 |
|
200 |
219 |
221 |
273 |
385 |
8 |
12 |
8 |
專業制造、專業服務,駱盈為你創造更多價值 !
不斷提升服務質量,精益求精,“真誠的服務”是駱盈永恒的主題。駱盈嚴格按照 要求,質量嚴格把關,責任到人,確保生產、銷售、服務的健康運行。加強與用戶溝通,竭誠為廣大客戶提供優質產品,至善至美服務,特此駱盈做出如下承諾:
產品標準
產品嚴格按照中國 GB、HG 標準和美國 API 等標準設計、制造、驗收。密封面硬度達到規定要求,寬度超過標準。
售前服務
產品介紹,技術交流,非標產品設計,疑難解答。
售中服務
1、守信合同,保證及時供貨,隨時保持與客戶聯系
2、對特殊或復雜的產品,我廠安排技術人員對用戶進行產品使用、故障排除、調式及維修進行培訓和指導。
售后服務
1、駱盈產品質保期為自出廠起 12 個月,實行“三包”服務(包退、包換、包修)。
2、產品在使用中我廠定期組織技術、檢查人員進行訪問,征詢用戶對產品質量、使用狀況、改進意見等方面的反饋,以便進一步提高產品質量。
3、對用戶投訴產品質量問題,快速做出反映,售后服務人員在 24-36 小時(省外 48 小時)趕赴現場。
4、對售后服務,要求用戶填寫服務后的質量反饋表,并做出鑒定意見,共同提高駱盈的產品質量與服務質量。
1、客戶采購清單請傳真至 021-64207088 E-mail:luoying@luoyingsh.com,或來電咨詢 021-62212627。
2、收到客戶采購清單,為客戶提供產品型號選型與報價(價格清單)。
3、具體商定:交貨期、特殊要求等事宜。
訂貨須知
1、客戶對產品有特殊要求,須在訂貨合同中提供以下說明:
(1)結構長度
(2)連接形式
(3)公稱直徑、全通徑、縮徑、管道尺寸
(4)用介質及溫度、壓力范圍
(5)實驗、檢驗標準及其他要求本廠可根據客戶特殊要求配置定做和設計特殊產品。
2、本廠可根據客戶特殊要求配置定做和設計特殊產品。
3、如由客戶提供確定的產品類型和型號時,客戶應正確說明其型號的含義和要求,在供需雙方理解一致的條件下簽訂合同。
您也可以聯系在線客服